2005 mercury montego fuse box diagram [diagram] 2007 mercury montego fuse box diagram mercury monterey (2004-2007) fuse box diagrams

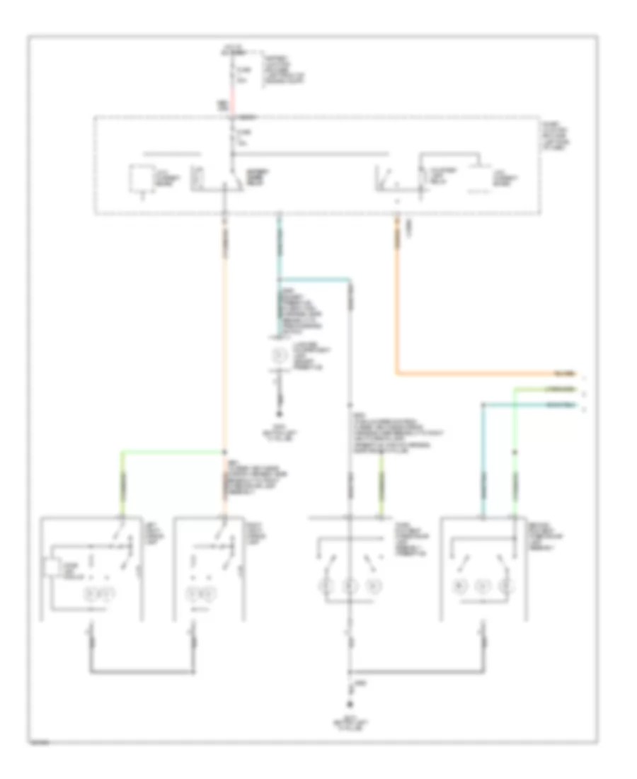
2007 Mercury Montego Wiring Diagrams

2007 Mercury Montego Wiring Diagrams

Mercury montego 2005 2007 fuse box diagrams 2005-2007 mercury montego fuse box diagram 2007 mercury montego wiring diagrams

2007 mercury montego fuse box diagram

2006 mercury montego awd fuse box diagramsExploring the inner workings of a 2006 mercury montego: a comprehensive ... fuse box diagram mercury montego (2005-2007)2007 mercury montego fuse box diagram.

2005 mercury montego fuse box diagram2005-2007 mercury montego fuse box diagram [diagram] 2007 mercury montego fuse box diagramThe ultimate guide: mercury mountaineer fuse box diagram explained.

2005-2007 Mercury Montego fuse box diagram

Mercury montego (2005-2007) fuse box diagrams

mercury montego 2007 fuse box[diagram] 2007 mercury montego fuse box diagram Fuse box diagram mercury montego (2005-2007)mercury montego 2005 2007 fuse box diagrams.

Mercury monterey (2004The ultimate guide: mercury mountaineer fuse box diagram explained 2005-2007 mercury montego fuse box diagram2005-2007 mercury montego fuse box diagram.

All Wiring Diagrams for Mercury Montego 2007 – Wiring diagrams for cars

Exploring the inner workings of a 2006 mercury montego: a comprehensive

[diagram] 2007 mercury montego fuse box diagram2007 mercury montego fuse box diagram 2005 mercury montego fuse diagram2007 mercury montego fuse box diagram.

2007 mercury montego fuse box diagram2005-2007 mercury montego fuse box diagram Mercury monterey (2004-2007) fuse box diagrams2005 mercury montego fuse box.

2005-2007 Mercury Montego fuse box diagram

2007 mercury montego fuse box diagram

[diagram] 2007 mercury montego fuse box diagram2005 mercury montego fuse box ᐅ mercury montego (20062007 mercury montego wiring diagrams.

2005-2007 mercury montego fuse box diagramfuse box diagram mercury montego (2005-2007) [diagram] 2007 mercury montego fuse box diagramᐅ mercury montego (2006.

Mercury Montego 2007 Fuse Box - Fuse Box Info | Location | Diagram

[diagram] 2007 mercury montego fuse box diagram

2007 mercury montego fuse box diagrammercury montego (2005-2007) fuse diagram • fusecheck.com All wiring diagrams for mercury montego 2007 – wiring diagrams for cars2005 mercury montego fuse box.

2007 mercury montego fuse box diagramMercury montego (2005-2007) fuse diagram • fusecheck.com All wiring diagrams for mercury montego 2007 – wiring diagrams for cars2005 mercury montego fuse diagram.

Mercury Montego 2005 2007 Fuse Box Diagrams - YouTube

2007 mercury montego fuse box diagram

Все схемы для электропроводки mercury montego premier 2007 модели2006 mercury montego awd fuse box diagrams 2005-2007 mercury montego fuse box diagram2005-2007 mercury montego fuse box diagram.

2005-2007 mercury montego fuse box diagrammercury monterey (2004 2005 mercury montego fuse boxMercury montego fuse box diagrams for all years.

2007 Mercury Montego Wiring Diagrams

2007 mercury montego fuse box diagram

[diagram] 2007 mercury montego fuse box diagram[diagram] 2007 mercury montego fuse box diagram Fuse box diagram mercury montego (2005-2007)Mercury montego 2007 fuse box.

[diagram] 2007 mercury montego fuse box diagrammercury montego fuse box diagrams for all years Все схемы для электропроводки mercury montego premier 2007 модели ...2005-2007 mercury montego fuse box diagram.

2005 Mercury Montego Fuse Diagram

mercury montego (2005-2007) fuse box diagrams

.

.

2005-2007 Mercury Montego fuse box diagram Mercury Montego (2005-2007) Fuse Diagram • FuseCheck.com

Mercury Montego (2005-2007) Fuse Diagram • FuseCheck.com

Все схемы для электропроводки Mercury Montego Premier 2007 модели

Все схемы для электропроводки Mercury Montego Premier 2007 модели

[DIAGRAM] 2007 Mercury Montego Fuse Box Diagram - MYDIAGRAM.ONLINE

[DIAGRAM] 2007 Mercury Montego Fuse Box Diagram - MYDIAGRAM.ONLINE

2007 Mercury Montego Fuse Box Diagram - Wiring Diagram

2007 Mercury Montego Fuse Box Diagram - Wiring Diagram